Citinox Plus Florenz Pris vises for 4pk Citinox Plus Florenz Pris vises for 4pk

Citinox Plus Florenz

Pris vises for 4pk

Varunummer: 103019

Du är 10 000 SEK från att få fri frakt

BeskrivningTeknisk infoDokumentation
Beskrivning

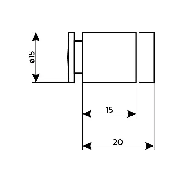
Avstandsstykke i rustfritt stål med innfesting med unbrakonøkkel.

 

Innfestingen sikrer at skiltet/glasset ikke er mulig å løsne uten bruk av verktøy.

 

Diameter: 15 mm

Teknisk info

Produktinformasjon

Diameter 15 mm
Form Rund
Håldiameter
  • 10 mm
  • 11 mm
Infästning på skiva Insexnyckel
Placering Hull


Dokumentation